Mercedes-Benz CLA Coupe - historia, specyfikacje, wnętrze i opinie użytkowników
Poznaj Mercedes-Benz CLA Coupe – luksusowy samochód kompaktowy. Sprawdź historię, specyfikacje, wnętrze i opinie użytkowników oraz ceny tego wyjątkowego modelu.
Mercedes-Benz CLA Coupe - historia, specyfikacje, wnętrze i opinie użytkowników
Poznaj Mercedes-Benz CLA Coupe – luksusowy samochód kompaktowy. Sprawdź historię, specyfikacje, wnętrze i opinie użytkowników oraz ceny tego wyjątkowego modelu.
Mercedes CLK 55 AMG – potężny sportowiec z luksusowym wnętrzem i osiągami
Zobacz, jak Mercedes CLK 55 AMG łączy sportowe osiągi z luksusowym wyposażeniem. Poznaj opinie, osiągi oraz porównania z innymi modelami CLK.
Stylowe koła BMW: jak wybrać idealne felgi dla swojego auta
Znajdź idealne felgi BMW dla swojego auta! Sprawdź oryginalne koła, koła M Performance i stylowe felgi, które poprawią estetykę i osiągi Twojego BMW.
Rzeczywiste spalanie hybryd Toyoty - poznaj faktyczne zużycie paliwa
Poznaj faktyczne zużycie paliwa w hybrydach Toyoty. Sprawdź ile pali hybryda Toyota w mieście i na trasie. Porównaj realne spalanie w różnych modelach i dowiedz się, jak jeździć ekonomicznie.
BMW Gran Turismo 5 – luksusowy samochód o przestronnym wnętrzu i wyjątkowej funkcjonalności
Poznaj BMW Gran Turismo 5 – luksusowy samochód łączący przestronność, komfort i nowoczesne technologie. Idealny wybór dla miłośników elegancji i funkcjonalności.
Bezpieczniki BMW E46 - gdzie je znajdziesz i jak je wymienić?
Znajdź bezpieczniki BMW E46 i dowiedz się, jak je wymienić! Poznaj lokalizację, funkcje oraz schematy bezpieczników, aby zapewnić sprawność swojego pojazdu.
Jakie ciśnienie w oponach Toyota Avensis T27: wartości dla każdej wersji
Sprawdź dokładne wartości ciśnienia w oponach Toyota Avensis T27 dla każdej wersji silnikowej. Tabele z prawidłowymi wartościami dla przednich i tylnych kół przy różnym obciążeniu.
BMW M cars – historia, osiągi i technologie, które zachwycają kierowców
BMW M cars to połączenie historii, osiągów i zaawansowanych technologii. Poznaj modele BMW M, ich mocne silniki i systemy, które zachwycają kierowców.
Motory BMW 1200: moc, osiągi i innowacje, które musisz znać
Poznaj moc i osiągi motocykli BMW 1200, w tym model R 1200 GS z silnikiem boxer. Sprawdź parametry i innowacje, które czynią je idealnym wyborem dla pasjonatów.
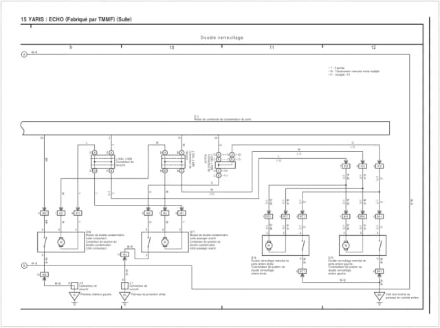
Zaskakująca lokalizacja sterownika centralnego zamka w Toyota Yaris - poradnik
Szukasz sterownika centralnego zamka w Toyota Yaris? Poznaj dokładną lokalizację modułu w różnych generacjach modelu. Dowiedz się jak bezpiecznie dostać się do sterownika i wymienić go samodzielnie.